Sun & Mon: Closed
|
Tues-Fri: 8:30 AM - 5:30 PM
|
Sat: 9:00 AM - 2:00 PM
2921 NW Hwy 24
,
Topeka, KS
66618
(785) 234-3844
Toggle navigation
Topeka, KS
Home
Brands
Manufacturer Models
Bad Boy Mowers
Bad Boy Tractors
Hustler
Can-Am
Sea-Doo
Sea-Doo Switch Boats
CFMoto
Honda
Kawasaki
KTM
Stark
Stacyc
Tracker Off-Road
Yamaha
Yamaha Waverunner
OEM Promotions
Inventory
All Inventory In Stock
New Inventory In Stock
Pre-Owned Inventory
Value Your Trade-In
Request a Model
Parts
Parts Department
Request Parts
Parts Fiche
Service
Service Department
Schedule Service
Storage
Warranty & Recall Look-Up
Financing
About
Our Dealership
Our Team
Newsletter Sign-Up
Events
Race Team
Location & Hours
Careers
Contact
EXTENDED WARRANTY
Fiche | Parts Diagrams
Home
›
Parts
›
Parts Fiche
Search by :
Part / Desc
VIN
Please Select
Can-Am
Sea-Doo
Yamaha
*Please enter at least 3 characters
SEARCH
Manufacturer
Can-Am
Motorcycles
2008
Spyder GS 990 5-Speed
VIEW WISH LIST
Select a Section
Show/Hide
00- Model Numbers 991 FS
01- Clutch Cover And Water Pump
01- Cooling System
01- Crankcase
01- Crankshaft
01- Cylinder And Piston
01- Cylinder Head
01- Engine 1
01- Engine 2
01- Engine Lubrication
01- Exhaust System
01- Valve Cover
01- Valve Train
02- Air Intake
02- Fuel System
02- Oil System 991 FS
02- Throttle Body
03- Magneto And Electric Starter
05- Clutch
05- Diaphragm Cover
05- Gear Box
05- Shifting System
06- Hydraulic Brake, Front
06- Hydraulic Brake, Rear
07- Drive System, Front
07- Steering 991 FS
07- Suspension, Front
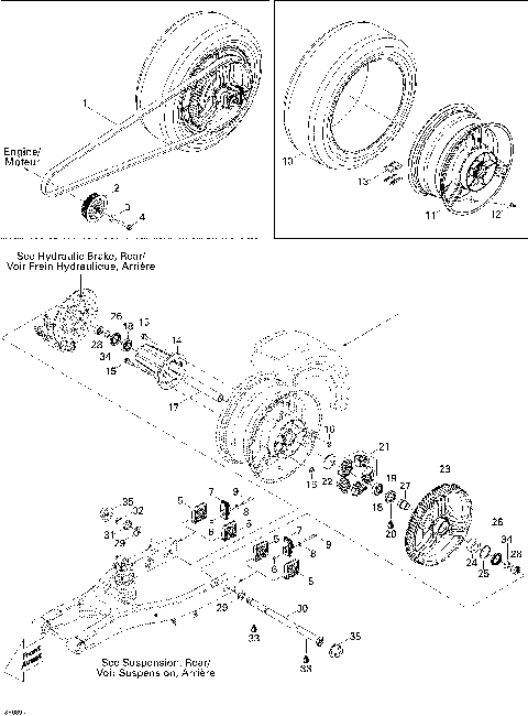
08- Drive System, Rear
08- Suspension, Rear
09- Body And Accessories Console
09- Body And Accessories Front
09- Body And Accessories Rear
09- Body And Accessories Side FS
09- Decals
09- Frame
09- Seat
09- Utilities
10- Beam Harness
10- Beam Harness Europe
10- Electrical Accessories FS
10- Electrical Accessories, Front FS
10- Electrical Accessories, Rear
10- Electrical Accessories, Steering FS
10- Engine Harness
10- Frame Harness A 991 FS
10- Frame Harness B 991 FS
10- Lighting System
10- Lighting System Europe
99- Roadster Publications
00- Model Numbers 991 FS
01- Clutch Cover And Water Pump
01- Cooling System
01- Crankcase
01- Crankshaft
01- Cylinder And Piston
01- Cylinder Head
01- Engine 1
01- Engine 2
01- Engine Lubrication
01- Exhaust System
01- Valve Cover
01- Valve Train
02- Air Intake
02- Fuel System
02- Oil System 991 FS
02- Throttle Body
03- Magneto And Electric Starter
05- Clutch
05- Diaphragm Cover
05- Gear Box
05- Shifting System
06- Hydraulic Brake, Front
06- Hydraulic Brake, Rear
07- Drive System, Front
07- Steering 991 FS
07- Suspension, Front
08- Drive System, Rear
08- Suspension, Rear
09- Body And Accessories Console
09- Body And Accessories Front
09- Body And Accessories Rear
09- Body And Accessories Side FS
09- Decals
09- Frame
09- Seat
09- Utilities
10- Beam Harness
10- Beam Harness Europe
10- Electrical Accessories FS
10- Electrical Accessories, Front FS
10- Electrical Accessories, Rear
10- Electrical Accessories, Steering FS
10- Engine Harness
10- Frame Harness A 991 FS
10- Frame Harness B 991 FS
10- Lighting System
10- Lighting System Europe
99- Roadster Publications
VIEW WISH LIST