Sun & Mon: Closed
|
Tues-Fri: 8:30 AM - 5:30 PM
|
Sat: 9:00 AM - 2:00 PM
2921 NW Hwy 24
,
Topeka, KS
66618
(785) 234-3844
Toggle navigation
Topeka, KS
Home
Brands
Manufacturer Models
Bad Boy Mowers
Bad Boy Tractors
Hustler
Can-Am
Sea-Doo
Sea-Doo Switch Boats
CFMoto
Honda
Kawasaki
KTM
Stark
Stacyc
Tracker Off-Road
Yamaha
Yamaha Waverunner
OEM Promotions
Inventory
All Inventory In Stock
New Inventory In Stock
Pre-Owned Inventory
Value Your Trade-In
Request a Model
Parts
Parts Department
Request Parts
Parts Fiche
Service
Service Department
Schedule Service
Storage
Warranty & Recall Look-Up
Financing
About
Our Dealership
Our Team
Newsletter Sign-Up
Events
Race Team
Location & Hours
Careers
Contact
EXTENDED WARRANTY
Fiche | Parts Diagrams
Home
›
Parts
›
Parts Fiche
Search by :
Part / Desc
VIN
Please Select
Can-Am
Sea-Doo
Yamaha
*Please enter at least 3 characters
SEARCH
Manufacturer
Can-Am
Motorcycles
2015
Spyder RT Limited SE6
VIEW WISH LIST
Select a Section
Show/Hide
00- Model Numbers SE6_00Y1503
01- Clutch Cover _49R1535
01- Cooling System _10Y1503
01- Crankcase _01R1535
01- Crankshaft, Pistons And Balance Shaft _02R1535
01- Cylinder Head _03R1535
01- Engine Cooling _27R1535
01- Engine Lubrication _54R1535
01- Engine SE6_08Y1503
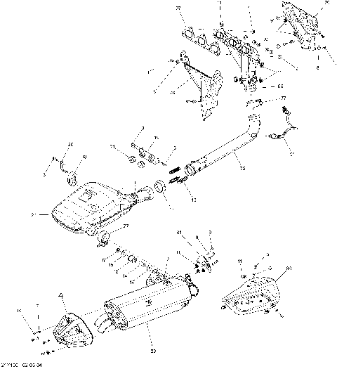
01- Exhaust System _21Y1503
01- Gearbox Housing _44R1535
01- Valve Cover _73R1535b
01- Valve Train _73R1535a
02- Air Intake _35Y1503
02- Air Intake Manifold And Throttle Body _18R1535
02- Fuel System _14Y1503
03- Alternator _12R1535
03- Electric Starter _06R1535
05- Clutch _09R1535
05- Gear Box _45R1535
05- Shifting System _11R1535
06- Hydraulic Brake _22Y1503a
06- Hydraulic Brake Pedal_22Y1503b
07- Drive System, Front _12Y1503
07- Steering _23Y1503
07- Suspension, Front _24Y1503
08- Drive System, Rear _13Y1503
08- Suspension, Rear _26Y1503
09- Body And Accessories _31Y1503
09- Body And Accessories Footrest_31Y1503d
09- Body And Accessories Fr Storage_31Y1503b
09- Body And Accessories Front Fender_31Y1503f
09- Body And Accessories Mirror_31Y1503g
09- Body And Accessories Windshield_31Y1503a
09- Decals _32Y1503
09- Frame _30Y1503
09- Luggages 36Y1503a
09- Luggages Cover_36Y1503b
09- Seat _29Y1503
09- Utilities _46Y1503
10- Electrical Harness Cargo_28Y1501c
10- Electrical Harness Console_28Y1501b
10- Electrical Harness Frame SE6_28Y1501a
10- Electrical Harness Switch_28Y1501d
10- Electrical System _20Y1503a
10- Electrical System Beam_20Y1503d
10- Electrical System Front View_20Y1503c
10- Electrical System Rear View_20Y1503b
10- Engine Harness And Electronic Module _51R1535
00- Model Numbers SE6_00Y1503
01- Clutch Cover _49R1535
01- Cooling System _10Y1503
01- Crankcase _01R1535
01- Crankshaft, Pistons And Balance Shaft _02R1535
01- Cylinder Head _03R1535
01- Engine Cooling _27R1535
01- Engine Lubrication _54R1535
01- Engine SE6_08Y1503
01- Exhaust System _21Y1503
01- Gearbox Housing _44R1535
01- Valve Cover _73R1535b
01- Valve Train _73R1535a
02- Air Intake _35Y1503
02- Air Intake Manifold And Throttle Body _18R1535
02- Fuel System _14Y1503
03- Alternator _12R1535
03- Electric Starter _06R1535
05- Clutch _09R1535
05- Gear Box _45R1535
05- Shifting System _11R1535
06- Hydraulic Brake _22Y1503a
06- Hydraulic Brake Pedal_22Y1503b
07- Drive System, Front _12Y1503
07- Steering _23Y1503
07- Suspension, Front _24Y1503
08- Drive System, Rear _13Y1503
08- Suspension, Rear _26Y1503
09- Body And Accessories _31Y1503
09- Body And Accessories Footrest_31Y1503d
09- Body And Accessories Fr Storage_31Y1503b
09- Body And Accessories Front Fender_31Y1503f
09- Body And Accessories Mirror_31Y1503g
09- Body And Accessories Windshield_31Y1503a
09- Decals _32Y1503
09- Frame _30Y1503
09- Luggages 36Y1503a
09- Luggages Cover_36Y1503b
09- Seat _29Y1503
09- Utilities _46Y1503
10- Electrical Harness Cargo_28Y1501c
10- Electrical Harness Console_28Y1501b
10- Electrical Harness Frame SE6_28Y1501a
10- Electrical Harness Switch_28Y1501d
10- Electrical System _20Y1503a
10- Electrical System Beam_20Y1503d
10- Electrical System Front View_20Y1503c
10- Electrical System Rear View_20Y1503b
10- Engine Harness And Electronic Module _51R1535
VIEW WISH LIST