Sun & Mon: Closed
|
Tues-Fri: 8:30 AM - 5:30 PM
|
Sat: 9:00 AM - 2:00 PM
2921 NW Hwy 24
,
Topeka, KS
66618
(785) 234-3844
Toggle navigation
Topeka, KS
Home
Brands
Manufacturer Models
Bad Boy Mowers
Bad Boy Tractors
Hustler
Can-Am
Sea-Doo
Sea-Doo Switch Boats
CFMoto
Honda
Kawasaki
KTM
Stark
Stacyc
Tracker Off-Road
Yamaha
Yamaha Waverunner
OEM Promotions
Inventory
All Inventory In Stock
New Inventory In Stock
Pre-Owned Inventory
Value Your Trade-In
Request a Model
Parts
Parts Department
Request Parts
Parts Fiche
Service
Service Department
Schedule Service
Storage
Warranty & Recall Look-Up
Financing
About
Our Dealership
Our Team
Newsletter Sign-Up
Events
Race Team
Location & Hours
Careers
Contact
EXTENDED WARRANTY
Fiche | Parts Diagrams
Home
›
Parts
›
Parts Fiche
Search by :
Part / Desc
VIN
Please Select
Can-Am
KTM
Sea-Doo
Yamaha
*Please enter at least 3 characters
SEARCH
Manufacturer
Can-Am
Utility Vehicles
2026
North America - Defender - HD9 - DPS - 8ETH - Stealth Black - 62" Width - CALI
VIEW WISH LIST
Select a Section
Show/Hide
01- ROTAX - Air Intake Manifold And Throttle Body
01- ROTAX - Crankcase
01- ROTAX - Crankshaft, Pistons and Cylinder
01- ROTAX - CVT
01- ROTAX - Drive Shaft
01- ROTAX - Engine Cooling
01- ROTAX - Engine Harness And Electronic Module
01- ROTAX - Engine Lubrication
01- ROTAX - Front Cylinder Head
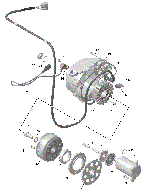
01- ROTAX - Magneto and Electric Starter
01- ROTAX - Rear Cylinder Head
02- Engine - Air Intake
02- Engine - Cooling
02- Engine - Exhaust
02- Engine - Fuel
02- Engine - System
03- Mechanic - Brake System
03- Mechanic - Steering
04- Drive - Front - Common Parts
04- Drive - Front - Differential Parts
04- Drive - Front Wheels
04- Drive - Rear - Common Parts
04- Drive - Rear Wheels
05- Suspension - Front Components
05- Suspension - Front Shocks
05- Suspension - Rear Components
05- Suspension - Rear Shocks
06- Frame - System
07- Body - Cargo
07- Body - Decals
07- Body - Seat
07- Body - Skid Plate
07- Body - System
07- Body - Warning Decals
07- Cab Interior - Back Wall
07- Cab Interior - Dashboard
07- Cab Interior - Firewall
07- Cab Interior - Floor
07- Cab Interior - Safety Net
08- Electric - Front Section
08- Electric - Key Wiring Harness - 710008863
08- Electric - Main Harness - 710008773
08- Electric - Rear Section
08- Electric - Voltage Regulator Wiring Harness - 710008406
09- Miscellaneous - Tools
01- ROTAX - Air Intake Manifold And Throttle Body
01- ROTAX - Crankcase
01- ROTAX - Crankshaft, Pistons and Cylinder
01- ROTAX - CVT
01- ROTAX - Drive Shaft
01- ROTAX - Engine Cooling
01- ROTAX - Engine Harness And Electronic Module
01- ROTAX - Engine Lubrication
01- ROTAX - Front Cylinder Head
01- ROTAX - Magneto and Electric Starter
01- ROTAX - Rear Cylinder Head
02- Engine - Air Intake
02- Engine - Cooling
02- Engine - Exhaust
02- Engine - Fuel
02- Engine - System
03- Mechanic - Brake System
03- Mechanic - Steering
04- Drive - Front - Common Parts
04- Drive - Front - Differential Parts
04- Drive - Front Wheels
04- Drive - Rear - Common Parts
04- Drive - Rear Wheels
05- Suspension - Front Components
05- Suspension - Front Shocks
05- Suspension - Rear Components
05- Suspension - Rear Shocks
06- Frame - System
07- Body - Cargo
07- Body - Decals
07- Body - Seat
07- Body - Skid Plate
07- Body - System
07- Body - Warning Decals
07- Cab Interior - Back Wall
07- Cab Interior - Dashboard
07- Cab Interior - Firewall
07- Cab Interior - Floor
07- Cab Interior - Safety Net
08- Electric - Front Section
08- Electric - Key Wiring Harness - 710008863
08- Electric - Main Harness - 710008773
08- Electric - Rear Section
08- Electric - Voltage Regulator Wiring Harness - 710008406
09- Miscellaneous - Tools
VIEW WISH LIST