Sun & Mon: Closed
|
Tues-Fri: 8:30 AM - 5:30 PM
|
Sat: 9:00 AM - 2:00 PM
2921 NW Hwy 24
,
Topeka, KS
66618
(785) 234-3844
Toggle navigation
Topeka, KS
Home
Brands
Manufacturer Models
Bad Boy Mowers
Bad Boy Tractors
Hustler
Can-Am
Sea-Doo
Sea-Doo Switch Boats
CFMoto
Honda
Kawasaki
KTM
Stark
Stacyc
Tracker Off-Road
Yamaha
Yamaha Waverunner
OEM Promotions
Inventory
All Inventory In Stock
New Inventory In Stock
Pre-Owned Inventory
Value Your Trade-In
Request a Model
Parts
Parts Department
Request Parts
Parts Fiche
Service
Service Department
Schedule Service
Storage
Warranty & Recall Look-Up
Financing
About
Our Dealership
Our Team
Newsletter Sign-Up
Events
Race Team
Location & Hours
Careers
Contact
EXTENDED WARRANTY
Fiche | Parts Diagrams
Home
›
Parts
›
Parts Fiche
Search by :
Part / Desc
VIN
Please Select
Can-Am
KTM
Sea-Doo
Yamaha
*Please enter at least 3 characters
SEARCH
Manufacturer
Sea-doo
Pontoons
2024
009 - SWITCH - North America - Base Series 002 - BASE 16 - 130 - North America, 2024 North America - BASE 16 - 130 - 41RC - Red - Trailer Paint - CAT2B
VIEW WISH LIST
Select a Section
Show/Hide
01- ROTAX - Air Intake Manifold And Throttle Body
01- ROTAX - Crankcase
01- ROTAX - Crankshaft and Pistons
01- ROTAX - Cylinder Head
01- ROTAX - Engine Cooling
01- ROTAX - Engine Harness And Electronic Module
01- ROTAX - Engine Lubrication
01- ROTAX - Gasket Kit
01- ROTAX - iDF Gearbox
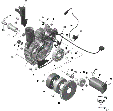
01- ROTAX - Magneto and Electric Starter
01- ROTAX - Valve Train
02- Electric - Main Harness - 278004455
02- MECHANICS - Accessory Lighting Wiring Harness - 278003641
02- MECHANICS - Console Wiring Harness - 278004135
02- MECHANICS - Cooling - With Catalyst
02- MECHANICS - Electric - Lower Section
02- MECHANICS - Electric - Upper Section
02- MECHANICS - Engine
02- MECHANICS - Exhaust - With Catalyst - Type CAT-2-50-501
02- MECHANICS - Fuel
02- MECHANICS - Handlebar Wiring Harness - 278004355
02- MECHANICS - Hull
02- MECHANICS - Propulsion
02- MECHANICS - Reverse
03- DECALS - Feature Decals - 130HP - Base Package
03- DECALS - Warning Decals - 16ft - Base Package
03- HELM - Bumper For Corner Backrest
03- HELM - Console
03- HELM - Driver Seat
03- HELM - Steering
04- GUARD RAILS - Front
04- GUARD RAILS - Rear
04- GUARD RAILS - System Assembly
04- GUARD RAILS - Trim
04- GUARD RAILS - Wings
05- FLOOR - System Assembly
06- HULL - Central Float Deflector
06- HULL - Deflector
06- HULL - Frame
06- HULL - Front Deflector Float and Front Bumper
06- HULL - Rear Deflector Float and Rear Bumper
06- HULL - Ventilation
07- FURNITURE - Adjustable Table
07- FURNITURE - LinQ Lite Holder For Corner Backrest
07- FURNITURE - Seat Corner Backrest (LH)
07- FURNITURE - Seat Corner Backrest (RH)
07- FURNITURE - Seat Side Panel (LH)
07- FURNITURE - Seat Side Panel (RH)
07- FURNITURE - Single Seat
09- ELECTRICALS - Lighting
01- ROTAX - Air Intake Manifold And Throttle Body
01- ROTAX - Crankcase
01- ROTAX - Crankshaft and Pistons
01- ROTAX - Cylinder Head
01- ROTAX - Engine Cooling
01- ROTAX - Engine Harness And Electronic Module
01- ROTAX - Engine Lubrication
01- ROTAX - Gasket Kit
01- ROTAX - iDF Gearbox
01- ROTAX - Magneto and Electric Starter
01- ROTAX - Valve Train
02- Electric - Main Harness - 278004455
02- MECHANICS - Accessory Lighting Wiring Harness - 278003641
02- MECHANICS - Console Wiring Harness - 278004135
02- MECHANICS - Cooling - With Catalyst
02- MECHANICS - Electric - Lower Section
02- MECHANICS - Electric - Upper Section
02- MECHANICS - Engine
02- MECHANICS - Exhaust - With Catalyst - Type CAT-2-50-501
02- MECHANICS - Fuel
02- MECHANICS - Handlebar Wiring Harness - 278004355
02- MECHANICS - Hull
02- MECHANICS - Propulsion
02- MECHANICS - Reverse
03- DECALS - Feature Decals - 130HP - Base Package
03- DECALS - Warning Decals - 16ft - Base Package
03- HELM - Bumper For Corner Backrest
03- HELM - Console
03- HELM - Driver Seat
03- HELM - Steering
04- GUARD RAILS - Front
04- GUARD RAILS - Rear
04- GUARD RAILS - System Assembly
04- GUARD RAILS - Trim
04- GUARD RAILS - Wings
05- FLOOR - System Assembly
06- HULL - Central Float Deflector
06- HULL - Deflector
06- HULL - Frame
06- HULL - Front Deflector Float and Front Bumper
06- HULL - Rear Deflector Float and Rear Bumper
06- HULL - Ventilation
07- FURNITURE - Adjustable Table
07- FURNITURE - LinQ Lite Holder For Corner Backrest
07- FURNITURE - Seat Corner Backrest (LH)
07- FURNITURE - Seat Corner Backrest (RH)
07- FURNITURE - Seat Side Panel (LH)
07- FURNITURE - Seat Side Panel (RH)
07- FURNITURE - Single Seat
09- ELECTRICALS - Lighting
VIEW WISH LIST