Sun & Mon: Closed
|
Tues-Fri: 8:30 AM - 5:30 PM
|
Sat: 9:00 AM - 2:00 PM
2921 NW Hwy 24
,
Topeka, KS
66618
(785) 234-3844
Toggle navigation
Topeka, KS
Home
Brands
Manufacturer Models
Bad Boy Mowers
Bad Boy Tractors
Hustler
Can-Am
Sea-Doo
Sea-Doo Switch Boats
CFMoto
Honda
Kawasaki
KTM
Stark
Stacyc
Tracker Off-Road
Yamaha
Yamaha Waverunner
OEM Promotions
Inventory
All Inventory In Stock
New Inventory In Stock
Pre-Owned Inventory
Value Your Trade-In
Request a Model
Parts
Parts Department
Request Parts
Parts Fiche
Service
Service Department
Schedule Service
Storage
Warranty & Recall Look-Up
Financing
About
Our Dealership
Our Team
Newsletter Sign-Up
Events
Race Team
Location & Hours
Careers
Contact
EXTENDED WARRANTY
Fiche | Parts Diagrams
Home
›
Parts
›
Parts Fiche
Search by :
Part / Desc
VIN
Please Select
Can-Am
KTM
Sea-Doo
Yamaha
*Please enter at least 3 characters
SEARCH
Manufacturer
Yamaha
Scooters
2008
VINO 50 CLASSIC XC50XS/XC50XR
VIEW WISH LIST
Select a Section
Show/Hide
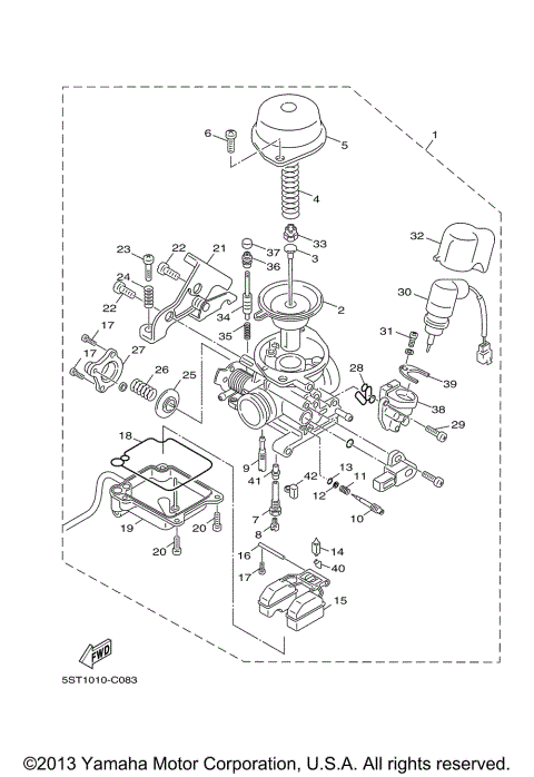
CARBURETOR
CLUTCH
COWLING 1
CRANKCASE
CRANKSHAFT PISTON
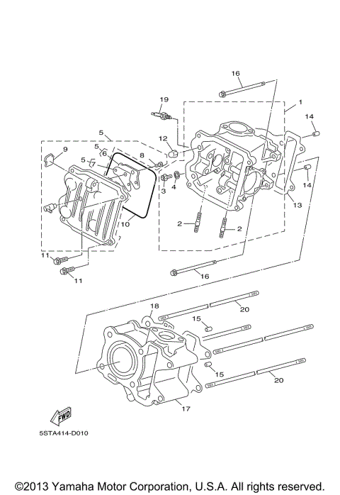
CYLINDER HEAD
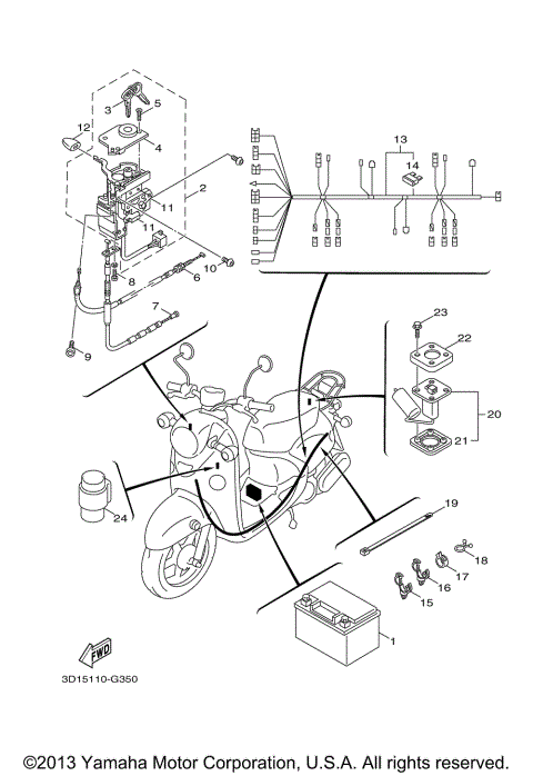
ELECTRICAL 1
ELECTRICAL 2
EXHAUST
FENDER
FLASHER LIGHT
FRAME
FRONT FORK
FRONT WHEEL
FUEL TANK
GENERATOR
HANDLE SWITCH LEVER
HEADLIGHT
INTAKE
LEG SHIELD
METER
OIL PUMP
RADIATOR HOSE
REAR SUSPENSION
REAR WHEEL
SEAT
SIDE COVER
STAND FOOTREST
STARTER
STARTING MOTOR
STEERING HANDLE CABLE
TAILLIGHT
TRANSMISSION
VALVE
WATER PUMP
CARBURETOR
CLUTCH
COWLING 1
CRANKCASE
CRANKSHAFT PISTON
CYLINDER HEAD
ELECTRICAL 1
ELECTRICAL 2
EXHAUST
FENDER
FLASHER LIGHT
FRAME
FRONT FORK
FRONT WHEEL
FUEL TANK
GENERATOR
HANDLE SWITCH LEVER
HEADLIGHT
INTAKE
LEG SHIELD
METER
OIL PUMP
RADIATOR HOSE
REAR SUSPENSION
REAR WHEEL
SEAT
SIDE COVER
STAND FOOTREST
STARTER
STARTING MOTOR
STEERING HANDLE CABLE
TAILLIGHT
TRANSMISSION
VALVE
WATER PUMP
VIEW WISH LIST