Sun & Mon: Closed
|
Tues-Fri: 8:30 AM - 5:30 PM
|
Sat: 9:00 AM - 2:00 PM
2921 NW Hwy 24
,
Topeka, KS
66618
(785) 234-3844
Toggle navigation
Topeka, KS
Home
Brands
Manufacturer Models
Bad Boy Mowers
Bad Boy Tractors
Hustler
Can-Am
Sea-Doo
Sea-Doo Switch Boats
CFMoto
Honda
Kawasaki
KTM
Stark
Stacyc
Tracker Off-Road
Yamaha
Yamaha Waverunner
OEM Promotions
Inventory
All Inventory In Stock
New Inventory In Stock
Pre-Owned Inventory
Value Your Trade-In
Request a Model
Parts
Parts Department
Request Parts
Parts Fiche
Service
Service Department
Schedule Service
Storage
Warranty & Recall Look-Up
Financing
About
Our Dealership
Our Team
Newsletter Sign-Up
Events
Race Team
Location & Hours
Careers
Contact
EXTENDED WARRANTY
Fiche | Parts Diagrams
Home
›
Parts
›
Parts Fiche
Search by :
Part / Desc
VIN
Please Select
Can-Am
KTM
Sea-Doo
Yamaha
*Please enter at least 3 characters
SEARCH
Manufacturer
Yamaha
Utility Vehicles
2006
RHINO 660 4WD SPECIA (YXR66FASEV)
VIEW WISH LIST
Select a Section
Show/Hide
ALTERNATE PARTS
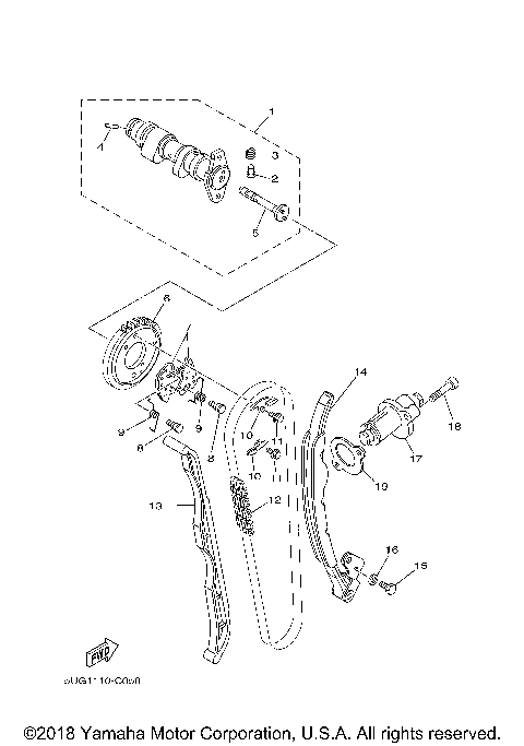
CAMSHAFT CHAIN
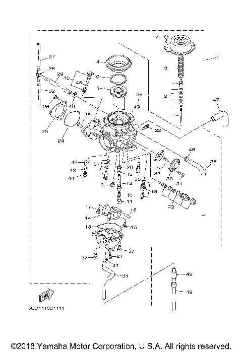
CARBURETOR
CARRIER
CLUTCH
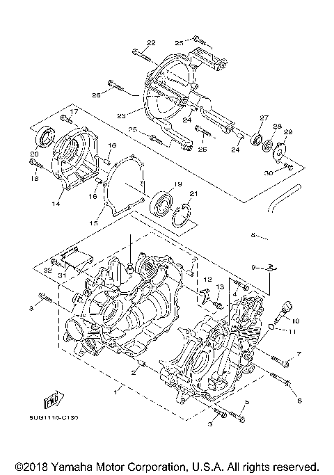
CRANKCASE
CRANKCASE COVER 1
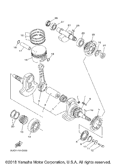
CRANKSHAFT PISTON
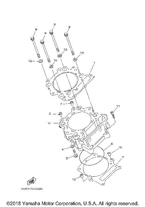
CYLINDER
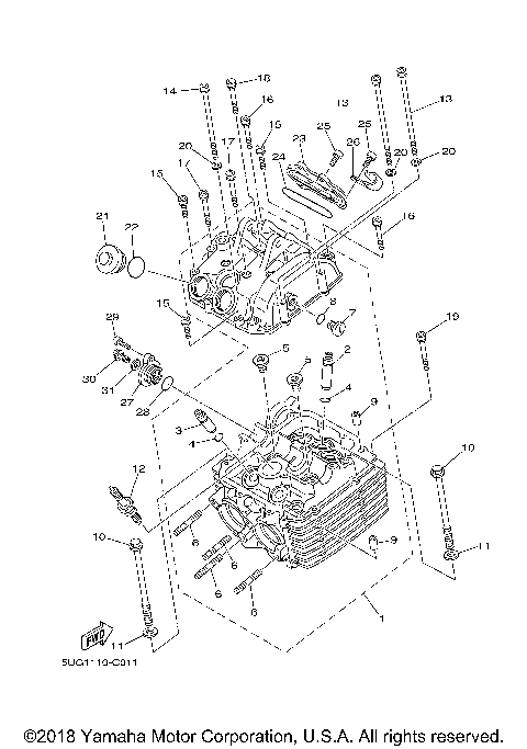
CYLINDER HEAD
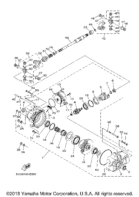
DRIVE SHAFT
ELECTRICAL 1
ELECTRICAL 2
EMBLEM LABEL 1
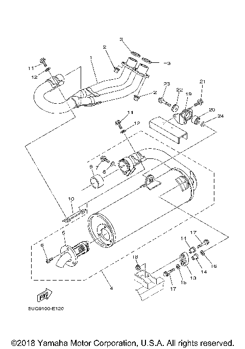
EXHAUST
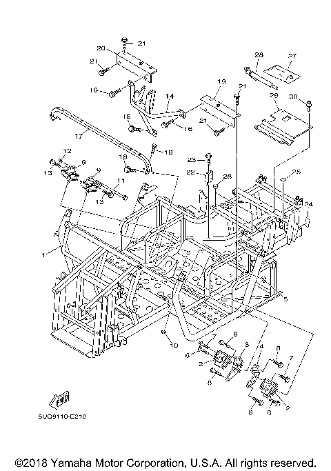
FRAME
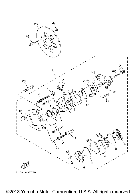
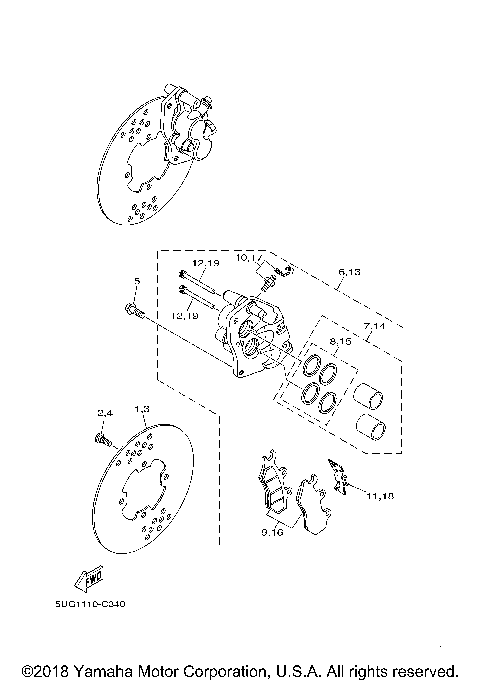
FRONT BRAKE CALIPER
FRONT DIFFERENTIAL
FRONT FENDER
FRONT SUSPENSION WHEEL
FRONT WHEEL
FRONT WHEEL 2
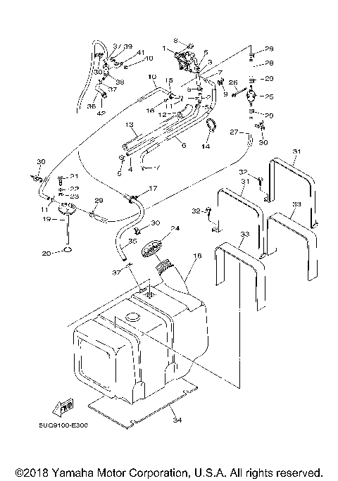
FUEL TANK
GENERATOR
GUARD
GUARD 2
HEADLIGHT
INTAKE
METER
MIDDLE DRIVE GEAR
OIL PIPE
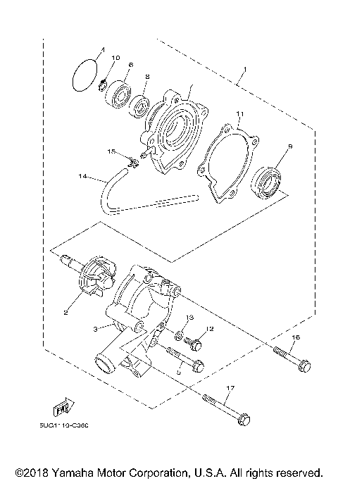
OIL PUMP
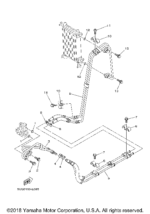
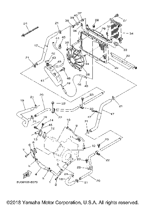
RADIATOR HOSE
REAR ARM
REAR BRAKE CALIPER
REAR MASTER CYLINDER
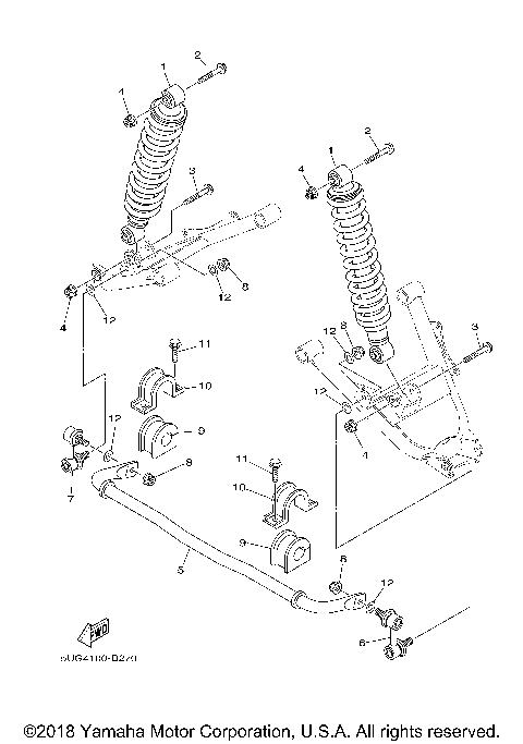
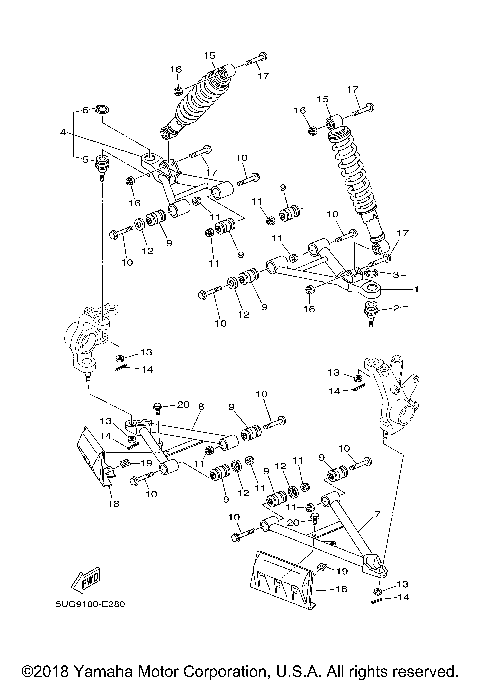
REAR SUSPENSION
REAR WHEEL
REAR WHEEL 2
SEAT
SHIFT CAM FORK
SHIFT SHAFT
SIDE COVERS
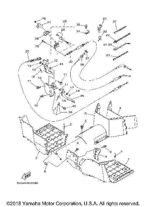
STAND FOOTREST
STARTER CLUTCH
STARTING MOTOR
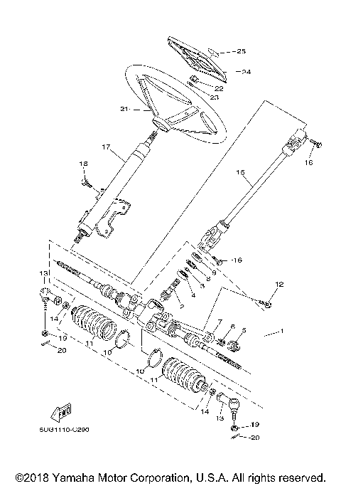
STEERING
TAILLIGHT
TRANSMISSION
VALVE
WATER PUMP
WITH DOORS
ALTERNATE PARTS
CAMSHAFT CHAIN
CARBURETOR
CARRIER
CLUTCH
CRANKCASE
CRANKCASE COVER 1
CRANKSHAFT PISTON
CYLINDER
CYLINDER HEAD
DRIVE SHAFT
ELECTRICAL 1
ELECTRICAL 2
EMBLEM LABEL 1
EXHAUST
FRAME
FRONT BRAKE CALIPER
FRONT DIFFERENTIAL
FRONT FENDER
FRONT SUSPENSION WHEEL
FRONT WHEEL
FRONT WHEEL 2
FUEL TANK
GENERATOR
GUARD
GUARD 2
HEADLIGHT
INTAKE
METER
MIDDLE DRIVE GEAR
OIL PIPE
OIL PUMP
RADIATOR HOSE
REAR ARM
REAR BRAKE CALIPER
REAR MASTER CYLINDER
REAR SUSPENSION
REAR WHEEL
REAR WHEEL 2
SEAT
SHIFT CAM FORK
SHIFT SHAFT
SIDE COVERS
STAND FOOTREST
STARTER CLUTCH
STARTING MOTOR
STEERING
TAILLIGHT
TRANSMISSION
VALVE
WATER PUMP
WITH DOORS
VIEW WISH LIST