Sun & Mon: Closed
|
Tues-Fri: 8:30 AM - 5:30 PM
|
Sat: 9:00 AM - 2:00 PM
2921 NW Hwy 24
,
Topeka, KS
66618
(785) 234-3844
Toggle navigation
Topeka, KS
Home
Brands
Manufacturer Models
Bad Boy Mowers
Bad Boy Tractors
Hustler
Can-Am
Sea-Doo
Sea-Doo Switch Boats
CFMoto
Honda
Kawasaki
KTM
Stark
Stacyc
Tracker Off-Road
Yamaha
Yamaha Waverunner
OEM Promotions
Inventory
All Inventory In Stock
New Inventory In Stock
Pre-Owned Inventory
Value Your Trade-In
Request a Model
Parts
Parts Department
Request Parts
Parts Fiche
Service
Service Department
Schedule Service
Storage
Warranty & Recall Look-Up
Financing
About
Our Dealership
Our Team
Newsletter Sign-Up
Events
Race Team
Location & Hours
Careers
Contact
EXTENDED WARRANTY
Fiche | Parts Diagrams
Home
›
Parts
›
Parts Fiche
Search by :
Part / Desc
VIN
Please Select
Can-Am
KTM
Sea-Doo
Yamaha
*Please enter at least 3 characters
SEARCH
Manufacturer
Yamaha
Utility Vehicles
2013
700 1RBD (YXR7FDR/YXR7FDGR)
VIEW WISH LIST
Select a Section
Show/Hide
ALTERNATE PARTS
CAMSHAFT CHAIN
CARRIER
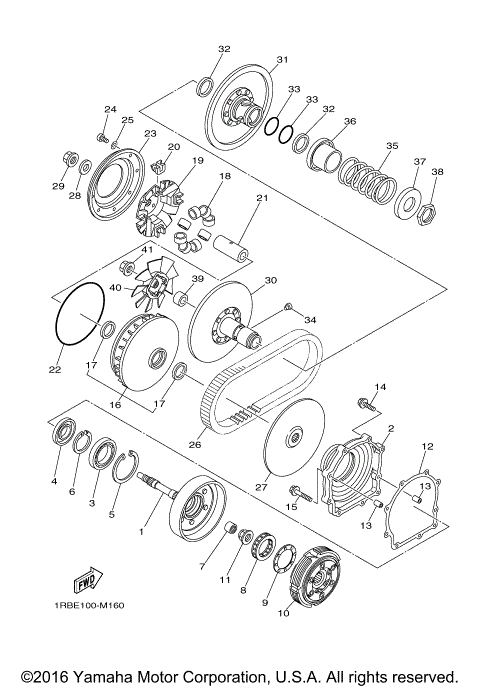
CLUTCH
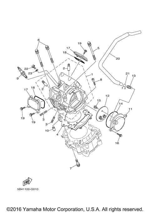
CRANKCASE
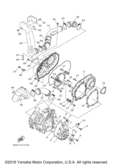
CRANKCASE COVER 1
CRANKSHAFT PISTON
CYLINDER
CYLINDER HEAD
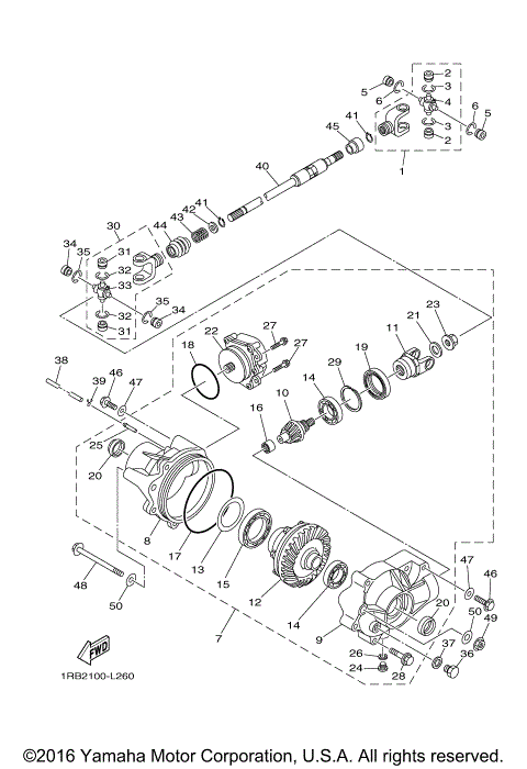
DRIVE SHAFT
ELECTRICAL 1
ELECTRICAL 2
EMBLEM LABEL 1
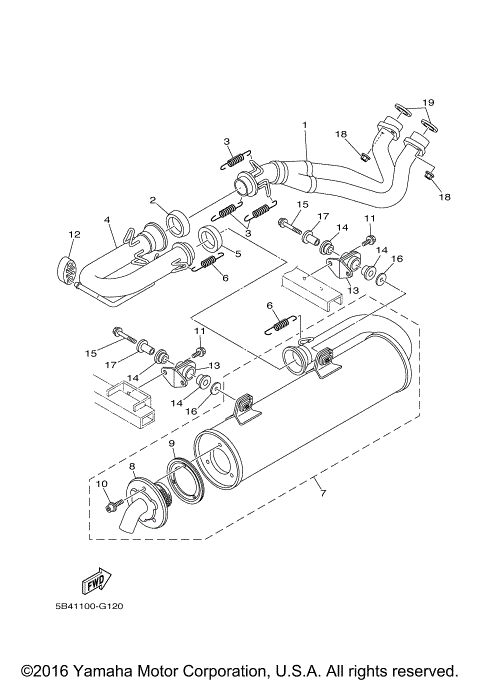
EXHAUST
FRAME
FRONT BRAKE CALIPER
FRONT DIFFERENTIAL
FRONT FENDER
FRONT SUSPENSION WHEEL
FRONT WHEEL
FRONT WHEEL 2
FUEL TANK
GENERATOR
GUARD
GUARD 2
HEADLIGHT
INTAKE
METER
MIDDLE DRIVE GEAR
OIL PIPE
OIL PUMP
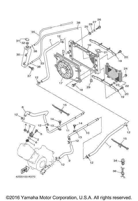
RADIATOR HOSE
REAR ARM
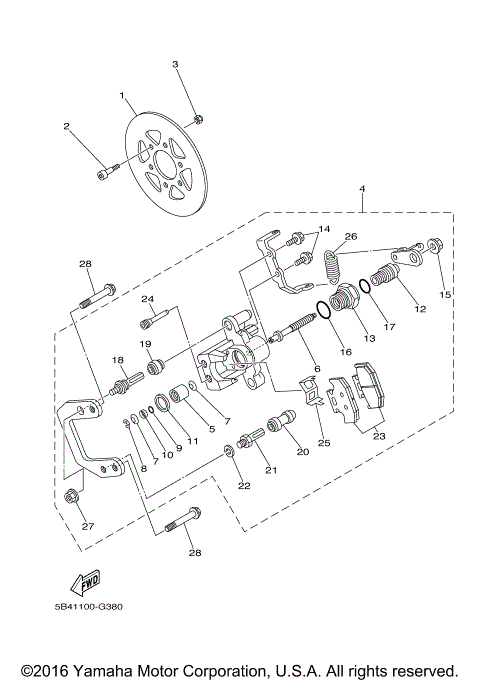
REAR BRAKE CALIPER
REAR BRAKE CALIPER 2
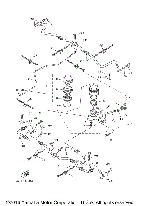
REAR MASTER CYLINDER
REAR SUSPENSION
REAR WHEEL
REAR WHEEL 2
SEAT
SHIFT CAM FORK
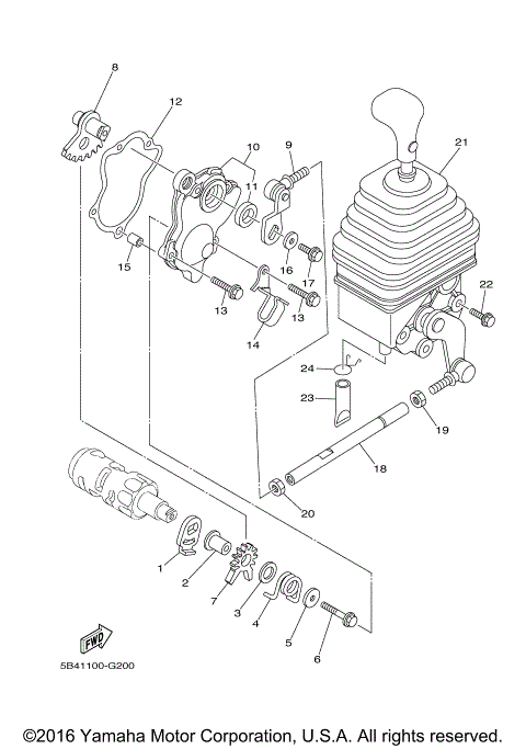
SHIFT SHAFT
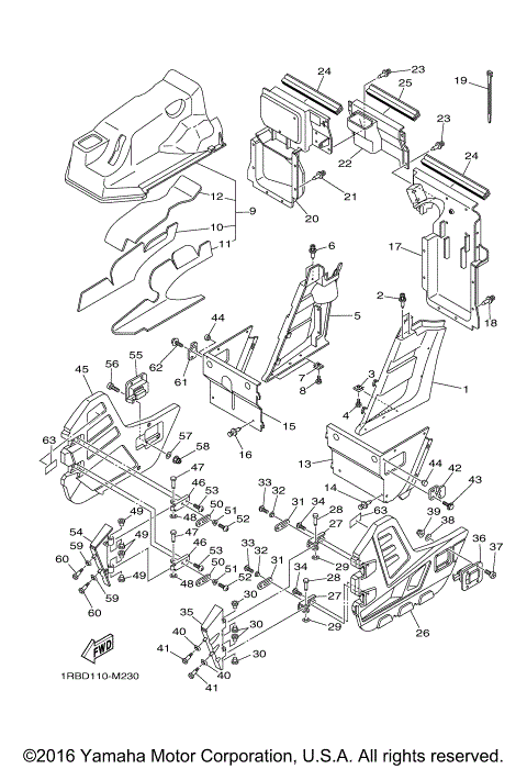
SIDE COVER
STAND FOOTREST
STARTER CLUTCH
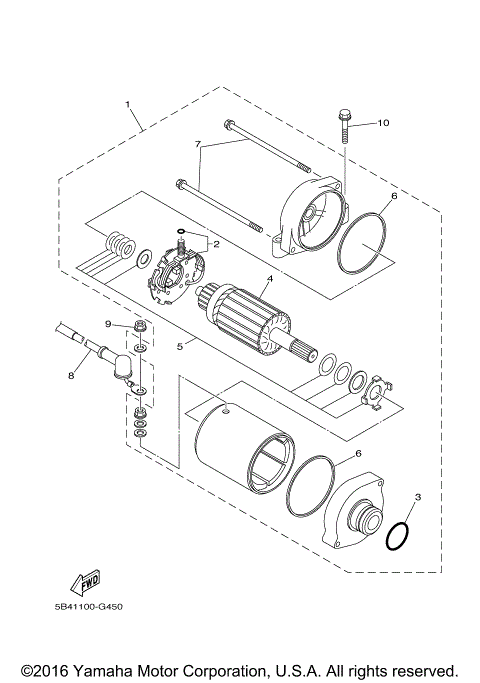
STARTING MOTOR
STEERING
TAILLIGHT
THROTTLE BODY ASSY 1
TRANSMISSION
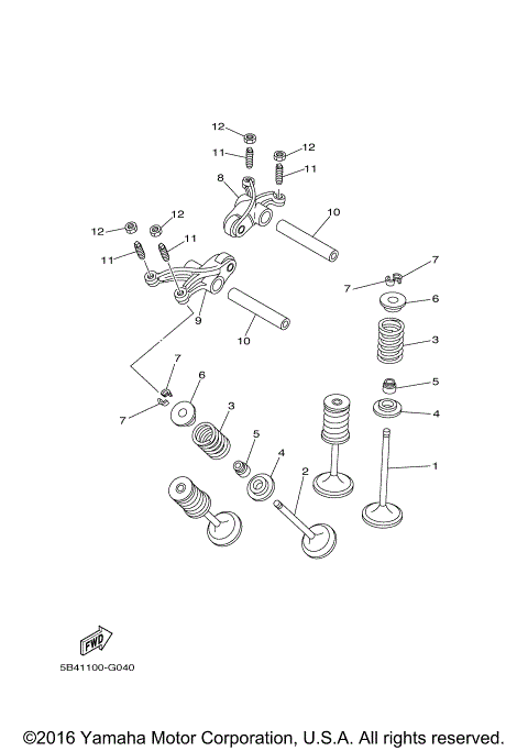
VALVE
WATER PUMP
ALTERNATE PARTS
CAMSHAFT CHAIN
CARRIER
CLUTCH
CRANKCASE
CRANKCASE COVER 1
CRANKSHAFT PISTON
CYLINDER
CYLINDER HEAD
DRIVE SHAFT
ELECTRICAL 1
ELECTRICAL 2
EMBLEM LABEL 1
EXHAUST
FRAME
FRONT BRAKE CALIPER
FRONT DIFFERENTIAL
FRONT FENDER
FRONT SUSPENSION WHEEL
FRONT WHEEL
FRONT WHEEL 2
FUEL TANK
GENERATOR
GUARD
GUARD 2
HEADLIGHT
INTAKE
METER
MIDDLE DRIVE GEAR
OIL PIPE
OIL PUMP
RADIATOR HOSE
REAR ARM
REAR BRAKE CALIPER
REAR BRAKE CALIPER 2
REAR MASTER CYLINDER
REAR SUSPENSION
REAR WHEEL
REAR WHEEL 2
SEAT
SHIFT CAM FORK
SHIFT SHAFT
SIDE COVER
STAND FOOTREST
STARTER CLUTCH
STARTING MOTOR
STEERING
TAILLIGHT
THROTTLE BODY ASSY 1
TRANSMISSION
VALVE
WATER PUMP
VIEW WISH LIST