Sun & Mon: Closed
|
Tues-Fri: 8:30 AM - 5:30 PM
|
Sat: 9:00 AM - 2:00 PM
2921 NW Hwy 24
,
Topeka, KS
66618
(785) 234-3844
Toggle navigation
Topeka, KS
Home
Brands
Manufacturer Models
Bad Boy Mowers
Bad Boy Tractors
Hustler
Can-Am
Sea-Doo
Sea-Doo Switch Boats
CFMoto
Honda
Kawasaki
KTM
Stark
Stacyc
Tracker Off-Road
Yamaha
Yamaha Waverunner
OEM Promotions
Inventory
All Inventory In Stock
New Inventory In Stock
Pre-Owned Inventory
Value Your Trade-In
Request a Model
Parts
Parts Department
Request Parts
Parts Fiche
Service
Service Department
Schedule Service
Storage
Warranty & Recall Look-Up
Financing
About
Our Dealership
Our Team
Newsletter Sign-Up
Events
Race Team
Location & Hours
Careers
Contact
EXTENDED WARRANTY
Fiche | Parts Diagrams
Home
›
Parts
›
Parts Fiche
Search by :
Part / Desc
VIN
Please Select
Can-Am
KTM
Sea-Doo
Yamaha
*Please enter at least 3 characters
SEARCH
Manufacturer
Yamaha
Utility Vehicles
2016
YXZ1000 EPS (YXZ10YPXGO/YXZ10YPXGL)
VIEW WISH LIST
Select a Section
Show/Hide
CAMSHAFT CHAIN
CARRIER
CLUTCH
CRANKCASE
CRANKSHAFT PISTON
CYLINDER
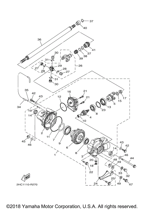
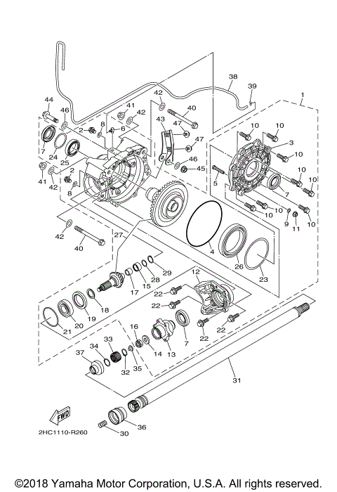
DRIVE SHAFT
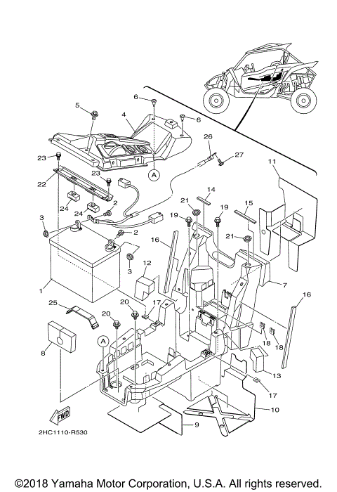
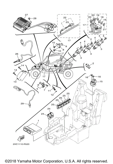
ELECTRICAL 1
ELECTRICAL 2
ELECTRICAL 3
EMBLEM LABEL 1
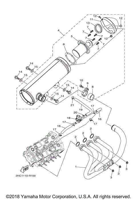
EXHAUST
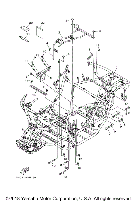
FRAME
FRONT BRAKE CALIPER
FRONT DIFFERENTIAL
FRONT FENDER
FRONT SUSPENSION WHEEL
FRONT WHEEL
FRONT WHEEL 2
FUEL TANK
GENERATOR
GRAPHICS
GUARD
GUARD 2
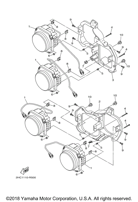
HEADLIGHT
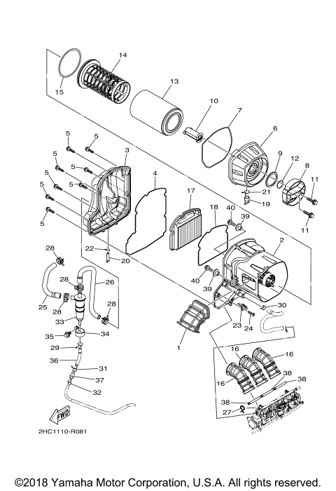
INTAKE
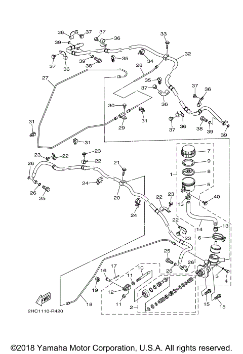
MASTER CYLINDER
METER
MIDDLE DRIVE GEAR
OIL PUMP
OIL TANK
PEDAL WIRE
RADIATOR HOSE
REAR ARM
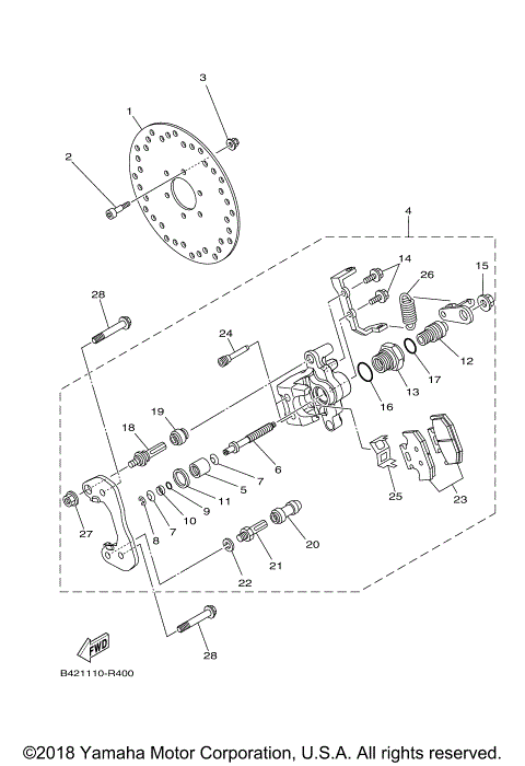
REAR BRAKE CALIPER
REAR BRAKE CALIPER 2
REAR SUSPENSION
REAR WHEEL
REAR WHEEL 2
SEAT
SEAT 2
SHIFT CAM FORK
SHIFT SHAFT
SIDE COVER
SIDE COVER 2
SIDE COVER 3
STAND FOOTREST
STARTER CLUTCH
STARTING MOTOR
STEERING
TAILLIGHT
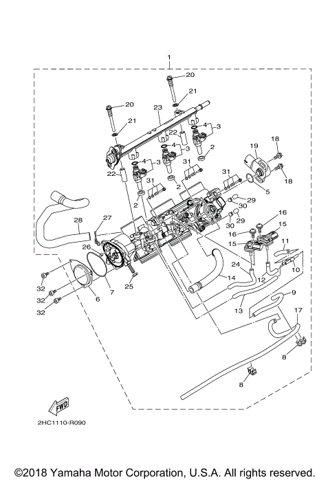
THROTTLE BODY ASSY 1
TRANSFER
TRANSMISSION
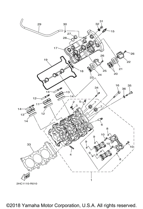
VALVE
WATER PUMP
CAMSHAFT CHAIN
CARRIER
CLUTCH
CRANKCASE
CRANKSHAFT PISTON
CYLINDER
DRIVE SHAFT
ELECTRICAL 1
ELECTRICAL 2
ELECTRICAL 3
EMBLEM LABEL 1
EXHAUST
FRAME
FRONT BRAKE CALIPER
FRONT DIFFERENTIAL
FRONT FENDER
FRONT SUSPENSION WHEEL
FRONT WHEEL
FRONT WHEEL 2
FUEL TANK
GENERATOR
GRAPHICS
GUARD
GUARD 2
HEADLIGHT
INTAKE
MASTER CYLINDER
METER
MIDDLE DRIVE GEAR
OIL PUMP
OIL TANK
PEDAL WIRE
RADIATOR HOSE
REAR ARM
REAR BRAKE CALIPER
REAR BRAKE CALIPER 2
REAR SUSPENSION
REAR WHEEL
REAR WHEEL 2
SEAT
SEAT 2
SHIFT CAM FORK
SHIFT SHAFT
SIDE COVER
SIDE COVER 2
SIDE COVER 3
STAND FOOTREST
STARTER CLUTCH
STARTING MOTOR
STEERING
TAILLIGHT
THROTTLE BODY ASSY 1
TRANSFER
TRANSMISSION
VALVE
WATER PUMP
VIEW WISH LIST