Sun & Mon: Closed
|
Tues-Fri: 8:30 AM - 5:30 PM
|
Sat: 9:00 AM - 2:00 PM
2921 NW Hwy 24
,
Topeka, KS
66618
(785) 234-3844
Toggle navigation
Topeka, KS
Home
Brands
Manufacturer Models
Bad Boy Mowers
Bad Boy Tractors
Hustler
Can-Am
Sea-Doo
Sea-Doo Switch Boats
CFMoto
Honda
Kawasaki
KTM
Stark
Stacyc
Tracker Off-Road
Yamaha
Yamaha Waverunner
OEM Promotions
Inventory
All Inventory In Stock
New Inventory In Stock
Pre-Owned Inventory
Value Your Trade-In
Request a Model
Parts
Parts Department
Request Parts
Parts Fiche
Service
Service Department
Schedule Service
Storage
Warranty & Recall Look-Up
Financing
About
Our Dealership
Our Team
Newsletter Sign-Up
Events
Race Team
Location & Hours
Careers
Contact
EXTENDED WARRANTY
Fiche | Parts Diagrams
Home
›
Parts
›
Parts Fiche
Search by :
Part / Desc
VIN
Please Select
Can-Am
KTM
Sea-Doo
Yamaha
*Please enter at least 3 characters
SEARCH
Manufacturer
Yamaha
Watercraft
2013
FX SHO (FA1800M)
VIEW WISH LIST
Select a Section
Show/Hide
BILGE PUMP
BREATHER OIL
CONTROL CABLE
CRANKCASE
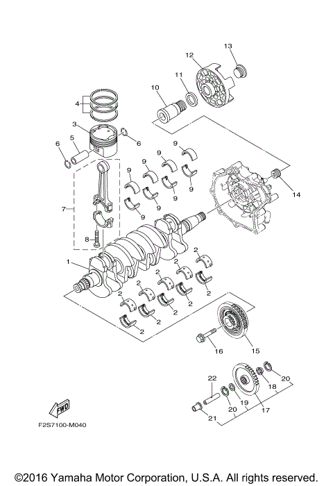
CRANKSHAFT & PISTON
CYLINDER 1
CYLINDER 2
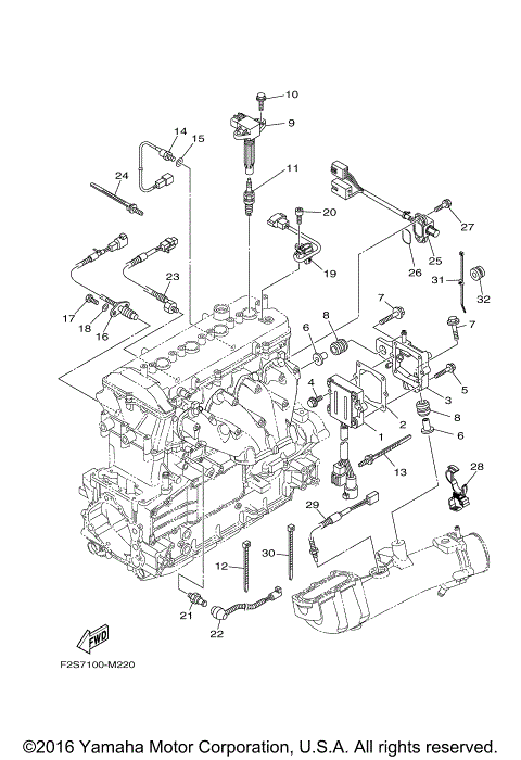
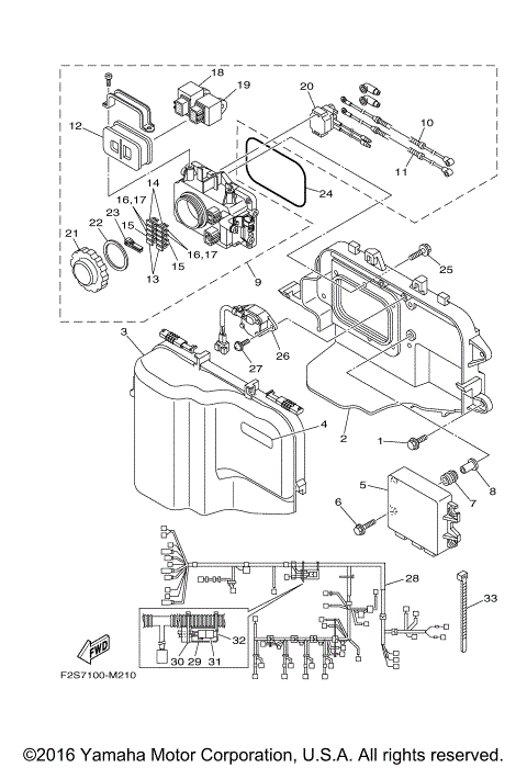
ELECTRICAL 1
ELECTRICAL 2
ELECTRICAL 3
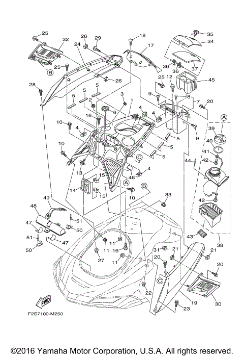
ENGINE HATCH 1
ENGINE HATCH 2
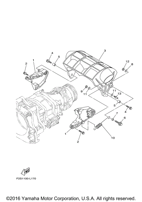
ENGINE MOUNT
EXHAUST 1
EXHAUST 2
EXHAUST 3
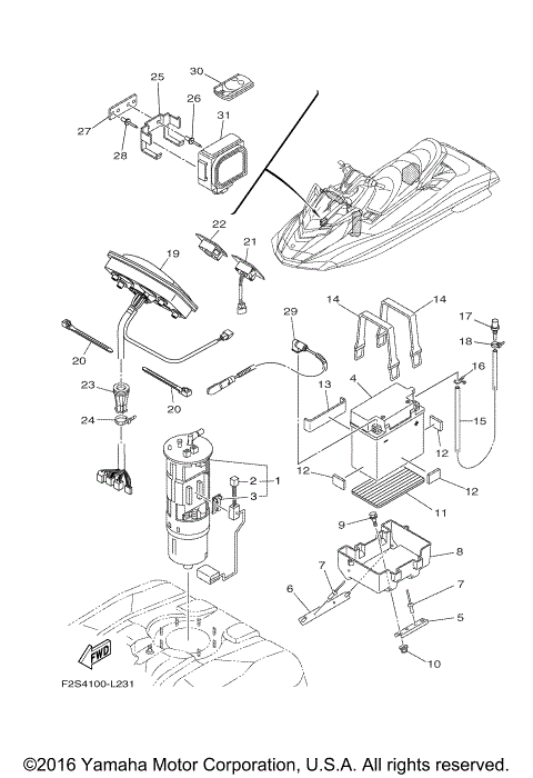
FUEL TANK
GENERATOR
GRAPHICS
GUNWALE & MAT
HULL & DECK
HULL & DECK 2
IMPORTANT LABELS
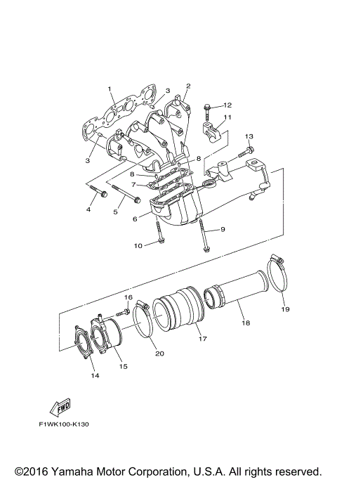
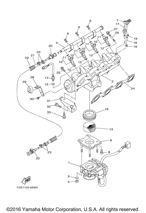
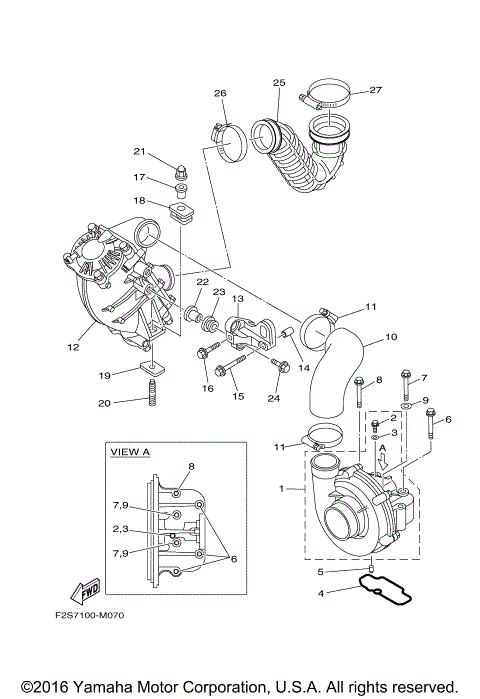
INTAKE 1
INTAKE 2
INTAKE 3
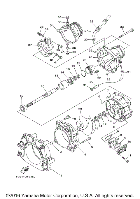
JET UNIT 1
JET UNIT 2
JET UNIT 3
JET UNIT 4
OIL COOLER
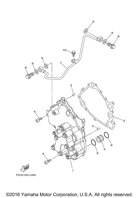
OIL PAN
OIL PUMP
REPAIR KIT 1
SEAT & UNDER LOCKER
SEAT & UNDER LOCKER 2
STARTING MOTOR
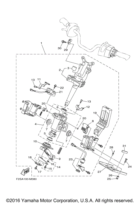
STEERING 1
STEERING 2
STEERING 3
VALVE
VENTILATION
BILGE PUMP
BREATHER OIL
CONTROL CABLE
CRANKCASE
CRANKSHAFT & PISTON
CYLINDER 1
CYLINDER 2
ELECTRICAL 1
ELECTRICAL 2
ELECTRICAL 3
ENGINE HATCH 1
ENGINE HATCH 2
ENGINE MOUNT
EXHAUST 1
EXHAUST 2
EXHAUST 3
FUEL TANK
GENERATOR
GRAPHICS
GUNWALE & MAT
HULL & DECK
HULL & DECK 2
IMPORTANT LABELS
INTAKE 1
INTAKE 2
INTAKE 3
JET UNIT 1
JET UNIT 2
JET UNIT 3
JET UNIT 4
OIL COOLER
OIL PAN
OIL PUMP
REPAIR KIT 1
SEAT & UNDER LOCKER
SEAT & UNDER LOCKER 2
STARTING MOTOR
STEERING 1
STEERING 2
STEERING 3
VALVE
VENTILATION
VIEW WISH LIST