Sun & Mon: Closed
|
Tues-Fri: 8:30 AM - 5:30 PM
|
Sat: 9:00 AM - 2:00 PM
2921 NW Hwy 24
,
Topeka, KS
66618
(785) 234-3844
Toggle navigation
Topeka, KS
Home
Brands
Manufacturer Models
Bad Boy Mowers
Bad Boy Tractors
Hustler
Can-Am
Sea-Doo
Sea-Doo Switch Boats
CFMoto
Honda
Kawasaki
KTM
Stark
Stacyc
Tracker Off-Road
Yamaha
Yamaha Waverunner
OEM Promotions
Inventory
All Inventory In Stock
New Inventory In Stock
Pre-Owned Inventory
Value Your Trade-In
Request a Model
Parts
Parts Department
Request Parts
Parts Fiche
Service
Service Department
Schedule Service
Storage
Warranty & Recall Look-Up
Financing
About
Our Dealership
Our Team
Newsletter Sign-Up
Events
Race Team
Location & Hours
Careers
Contact
EXTENDED WARRANTY
Fiche | Parts Diagrams
Home
›
Parts
›
Parts Fiche
Search by :
Part / Desc
VIN
Please Select
Can-Am
KTM
Sea-Doo
Yamaha
*Please enter at least 3 characters
SEARCH
Manufacturer
Yamaha
Watercraft
2017
SUPER JET (SJ700BS)
VIEW WISH LIST
Select a Section
Show/Hide
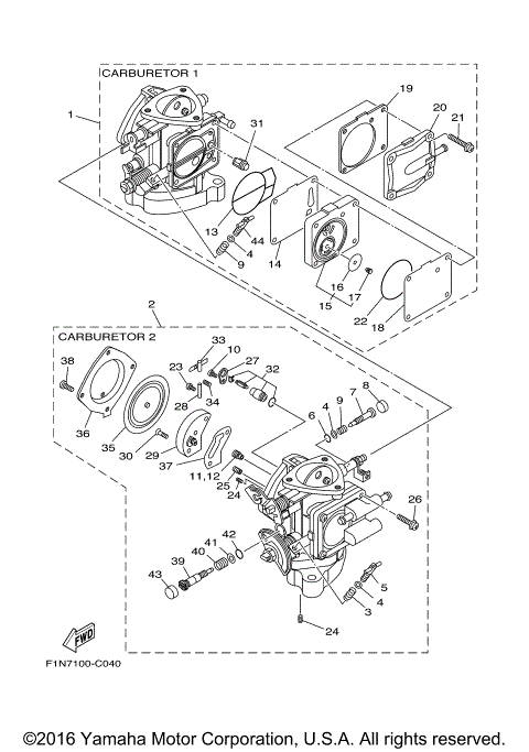
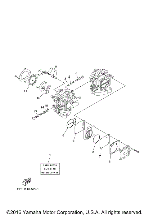
CARBURETOR
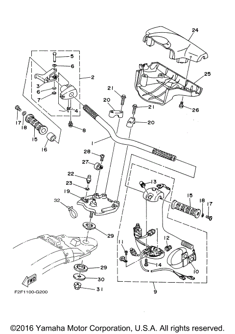
CONTROL CABLE
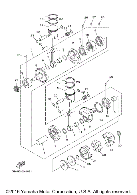
CRANKSHAFT & PISTON
CYLINDER & CRANKCASE
ELECTRICAL 1
ELECTRICAL 2
ENGINE HATCH
EXHAUST 1
EXHAUST 2
FUEL
FUEL TANK
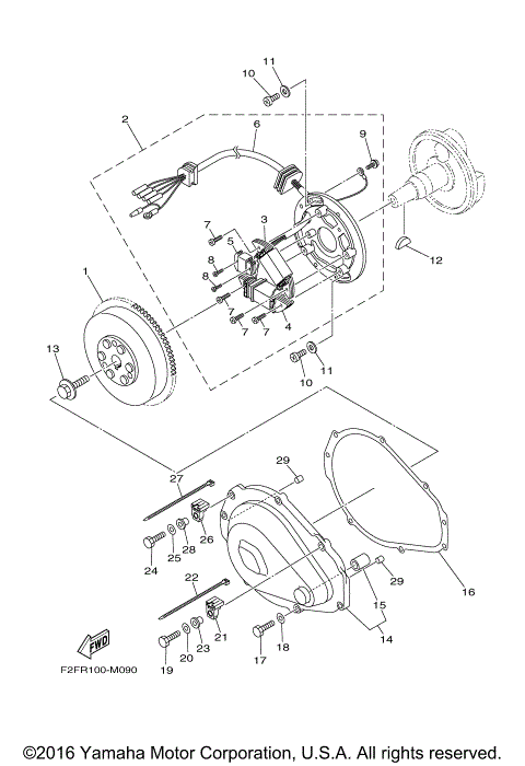
GENERATOR
GRAPHICS
GUNWALE & MAT
HULL & DECK
IMPORTANT LABELS
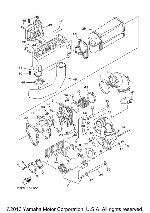
INTAKE
JET UNIT 1
JET UNIT 2
REPAIR KIT 1
REPAIR KIT 2
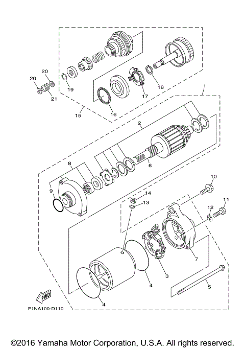
STARTING MOTOR
STEERING 1
STEERING 2
CARBURETOR
CONTROL CABLE
CRANKSHAFT & PISTON
CYLINDER & CRANKCASE
ELECTRICAL 1
ELECTRICAL 2
ENGINE HATCH
EXHAUST 1
EXHAUST 2
FUEL
FUEL TANK
GENERATOR
GRAPHICS
GUNWALE & MAT
HULL & DECK
IMPORTANT LABELS
INTAKE
JET UNIT 1
JET UNIT 2
REPAIR KIT 1
REPAIR KIT 2
STARTING MOTOR
STEERING 1
STEERING 2
VIEW WISH LIST